|
|
 |
 |
当前位置:首页 > 新品推荐 >新超重型脚轮 |
|
|
5-D超重型系列
5-D超重型系列产品为我司新开发产品,已获国家专利。其承载范围为1-1.5吨,主要用于超重型推车以及配套设备!推出后大受国内外重工业企业欢迎!
本系列产品配用特制单轮,材料为铸铁+PU,内有加强骨,铸铁与PU厚度均为10mm以上,转动时既耐磨又静音,轮径为6寸-12寸(150-300毫米),轮宽为64毫米, 受力更均匀,转动更灵活! |
 |
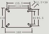
各部件经严密设计,由底板、转盘、支架、刹车件组成。底板厚12mm,安装尺寸如右图。
产品分动轮、定轮、刹车三类,具体规格尺寸见下表。为确保产品使用安全与使用寿命,每台车承载量应保持在单轮承载量的1.5-2倍范围内,并尽量在平整路面使用。
在正常使用情况下,我公司为产品保用一年! |
|
| 图例 |
产品名称 |
型号 |
承载(kg) |
重量(kg) |
安装高度(mm) |
转动半径(mm) |
|
5-D级6寸动轮 |
WP5246D150×64 |
1000 |
8.00 |
219 |
135 |
| 5-D级8寸动轮 |
WP5246D200×64 |
1500 |
12.00 |
217 |
160 |
| 5-D级10寸动轮 |
WP5246D250×64 |
1500 |
20.00 |
323 |
185 |
| 5-D级6寸定轮 |
DP5246D150×64 |
1000 |
6.00 |
219 |
|
| 5-D级8寸定轮 |
DP5246D200×64 |
1500 |
10.00 |
271 |
|
| 5-D级10寸定轮 |
DP5246D250×64 |
1500 |
17.00 |
323 |
|
| 5-D级6寸双刹 |
SP5246D150×64 |
1000 |
8.50 |
219 |
135 |
| 5-D级8寸双刹 |
SP5246D200×64 |
1500 |
20.50 |
271 |
160 |
| 5-D级10寸双刹 |
SP5246D250×64 |
1500 |
20.50 |
323 |
185 |
| |
5-D级12寸定向 |
DP5246D300×64 |
1500 |
22.50 |
373 |
| |
5-D级12寸转向 |
WP5246D300×64 |
1500 |
24.50 |
373 |
| |
5-D级12寸双刹 |
SP5246D300×64 |
1500 |
26.50 |
373 |
|
|
|
6-D超重型系列
6-D超重型系列产品与5-D系列产品一脉相承,均获国家专利。其承载范围为更大,为2-3吨,同样用于超重型推车以及配套设备!
ss本系列产品配用单轮同为铸铁+PU(绿或黑)(见右图1),内有加强骨,铸铁与PU厚度为10mm以上,行走转动时耐磨静音,轮径为8寸-12寸(200-300毫米),轮宽为76毫米,内孔孔径为62mm,装配206斜珠轴承,受力更大! |
 |
支撑架设计更严密,防水、防尘,由底板、转盘、支架、刹车件组成。底板厚20mm,安装尺寸如右图2。
产品分动轮、定轮、刹车三类,具体规格尺寸见下表。为确保产品使用安全与使用寿命,每台车承载量应保持在单轮承载量的1.5-2倍范围内。
在正常使用情况下,我公司为产品保用一年! |
|
| 图例 |
产品名称 |
型号 |
承载(kg) |
重量(kg) |
安装高度(mm) |
转动半径(mm) |
|
6-D级8寸动轮 |
WP5246D200×76 |
2000 |
16.00 |
275 |
155 |
| 6-D级10寸动轮 |
WP5246D250×76 |
3000 |
20.50 |
327 |
190 |
| 6-D级12寸动轮 |
WP5246D300×76 |
3000 |
25.00 |
380 |
230 |
| 6-D级8寸定轮 |
DP5246D200×76 |
2000 |
14.00 |
275 |
|
| 6-D级10寸定轮 |
DP5246D250×76 |
3000 |
19.00 |
327 |
|
| 6-D级12寸定轮 |
DP5246D300×76 |
3000 |
23.50 |
380 |
|
| 6-D级8寸双刹 |
SP5246D200×76 |
2000 |
23.00 |
275 |
155 |
| 6-D级10寸双刹 |
SP5246D250×76 |
3000 |
27.00 |
327 |
190 |
| 6-D级12寸双刹 |
SP5246D300×76 |
3000 |
32.00 |
380 |
230 |
|
|
|
8—D超重型系列
8-D超重型系列为我司专利产品,在国内只此一家能设计制造出如此规模、如此承重的脚轮---其承载量可高达15吨!产品一经推出,即受国内外行家的一致推赏,成为我公司的拳头产品!
本系列产品特制单轮材料同为铸铁+PU,但与5-D、6-D系列单轮并不相同!直径为8寸-12寸,但宽度为6寸即150mm,经过特殊处理,为一巨型单轮!其铸铁部分内部经过科学设计,受力、传力更均匀,使斜珠轴承的装配更牢靠、转动更顺畅!PU层厚27mm,略带弧面,转向方便。 |
 |
支撑架各部件经严密设计,由底板、转盘、支架、刹车件组成。底板厚25mm,安装孔直径为5mm,安装尺寸如右图。
产品同样分动轮、定轮、刹车三类,具体规格尺寸见底板安装尺寸。sssss
为确保产品使用安全与使用寿命,每台车承载量应保持在单轮承载量的1.5-2倍(即22至30吨),并尽量在平整路面使用。在正常使用情况下,我公司为产品保用一年! |
|
| 图例 |
产品名称 |
型号 |
承载(kg) |
重量(kg) |
安装高度(mm) |
转动半径(mm) |
|
8-D级8寸动轮 |
WP5246D200×150 |
12000 |
60 |
336 |
160 |
| 8-D级10寸动轮 |
WP5246D250×150 |
15000 |
|
390 |
185 |
| 8-D级12寸动轮 |
WP5246D300×150 |
15000 |
|
545 |
210 |
| 8-D级8寸定轮 |
DP5246D200×150 |
12000 |
55 |
336 |
|
| 8-D级10寸定轮 |
DP5246D250×150 |
15000 |
|
390 |
|
| 8-D级12寸定轮 |
DP5246D300×150 |
15000 |
|
545 |
|
| 8-D级8寸双刹 |
SP5246D200×150 |
12000 |
65 |
336 |
160 |
| 8-D级12寸双刹 |
SP5246D250×150 |
15000 |
|
390 |
185 |
| 8-D级12寸双刹 |
SP5246D300×150 |
15000 |
|
545 |
210 |
|
|
|
|
|
|